Cangzhou, Hebei, China wendy@hbydpack.com
bimg

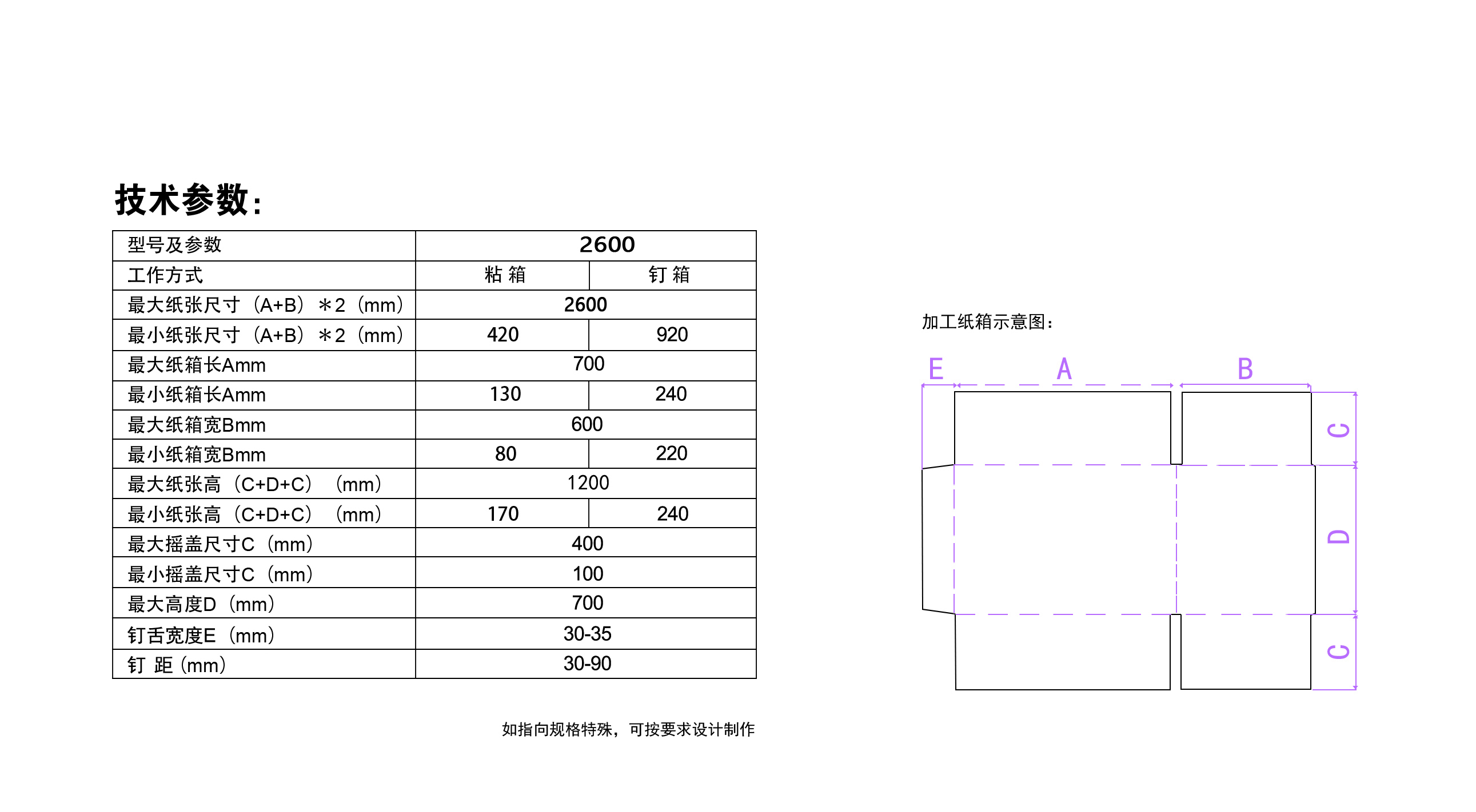
Lntelligent type Full automatic high speed nail glue machine

  • Our Mail : wendy@hbydpack.com
  • Mobile phone: +86 18333737577
  • Office Address: Dongguang Economic Development Zone, Dongguang County, Cangzhou City, Hebei Province, China

Short Description:

USES and features

1. The biggest feature of this machine is full computer control, easy operation, stable quality, speed to achieve economic benefits greatly saving manpower.

2. Line pressing part is equipped with three-way line pressing device, electric pressure adjustment, the first pressing, two or three forming can effectively correct the carton line pressing, ensure the width of the opening. Line press wheel independent power, simple and reliable operation, so that the carton molding more standard

3. This nailing machine is an integrated nailing machine, which can paste, nail, or paste first and nail once. Order changing Settings can be completed within

4.3-5 minutes, and mass production can be completed (with order memory function)

5. Paste the box and nail the box to realize the one-button conversion function.

6. Suitable for three layers, five layers, single sheet board.A.B.C and AB corrugated board stitching.

7.The side flapping device can make the paper feed neatly and smoothly.

8. No bottom with lid can be nailed.

9.Maximum stitching speed: 1000 stitching/min

10. Can automatically complete the supply paper folding, correction, nail box, paste box, counting and stacking output work.

11. Single nail and double nail can be adjusted freely.

12, using swinging nail head, ow power consumption, faster speed, more stable, effectively improve the quality of nail box

13. Paper alignment correction device is used to make secondary compensation and correct the phenomenon of box pieces not in place eliminate the scissors and nail the box more perfect.

14. The nailing pressure can be automatically adjusted according to the thickness of the cardboard.

15. Automatic wire feeding machine can realize the detection of nail wire, nail wire broken, nail wire out of detection.

Product drawing: